Hogar » Hardware de ducha » Conectores de baño de ducha » KF-049-conectores para cuarto de ducha

KF-049-conectores para cuarto de ducha

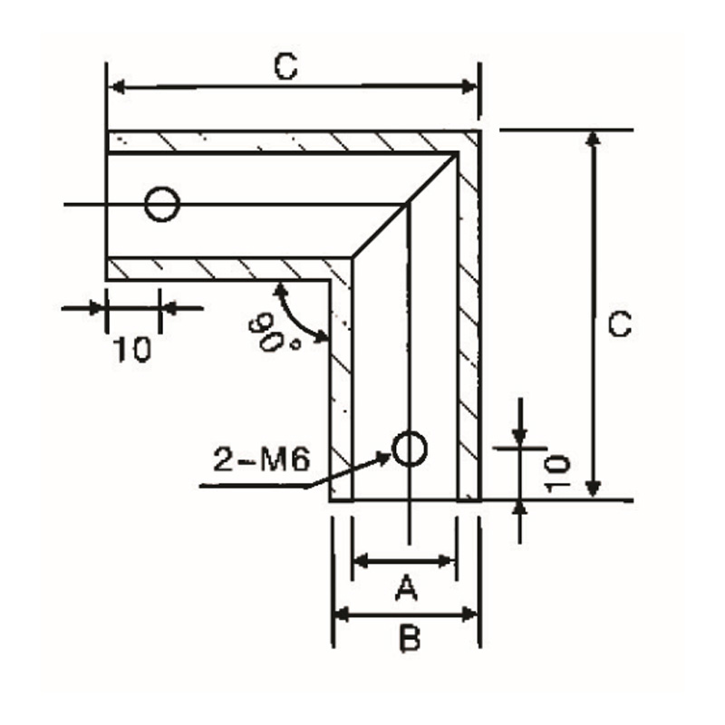
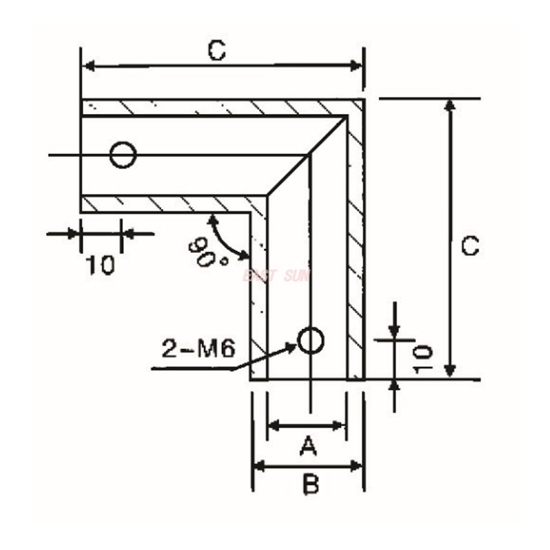
  • 90°

  • Acero inoxidable

  • manejar

Estado de Disponibilidad:
Cantidad:
Anterior: 
Siguiente: