Hogar » Noticias » La guía definitiva para la selección de abrazaderas de vidrio para el diseño arquitectónico moderno

La guía definitiva para la selección de abrazaderas de vidrio para el diseño arquitectónico moderno

Vistas:0     Autor:Editor del sitio     Hora de publicación: 2026-03-18      Origen:Sitio

facebook sharing button
twitter sharing button
line sharing button
wechat sharing button
linkedin sharing button
pinterest sharing button
whatsapp sharing button
sharethis sharing button

Seleccionar los componentes estructurales correctos sigue siendo crucial a la hora de diseñar espacios seguros, transparentes y visualmente atractivos. Ya sea que planee asegurar una barandilla sin marco o construir un elegante recinto para el baño, la integridad estructural de su proyecto depende en gran medida de la calidad de los accesorios de montaje. Esta guía completa explora las especificaciones técnicas, los beneficios prácticos de la instalación y diversas aplicaciones del hardware de montaje moderno. Aprenderá cómo identificar la abrazadera para vidrio ideal , , seleccionar una abrazadera para soporte de vidrio robusta o integrar abrazaderas para vidrio de ducha especializadas en sus diseños arquitectónicos.

Comprender los fundamentos de una abrazadera para vidrio

Una abrazadera de vidrio estándar sirve como fuerza estabilizadora principal para mamparas transparentes. Estos accesorios mantienen los paneles en su lugar de forma segura sin necesidad de marcos extensos, lo que permite que la luz fluya libremente a través de ambientes residenciales o comerciales. Los ingenieros diseñan cada abrazadera de vidrio para distribuir la presión de manera uniforme por todo el panel, evitando fracturas por tensión o fallas estructurales con el tiempo.

abrazadera de vidrio de vidrio

Especificaciones técnicas clave

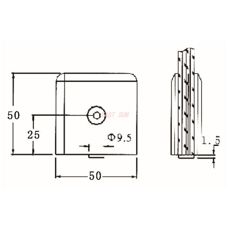
Al evaluar una abrazadera para vidrio, los profesionales deben considerar varias especificaciones técnicas para garantizar la estabilidad a largo plazo. El espesor del panel determina el rango de agarre interno requerido. La mayoría de los accesorios premium se adaptan a espesores que van desde seis milímetros hasta doce milímetros. Una abrazadera para vidrio de alta calidad contará con juntas de goma mecanizadas con precisión. Estas juntas evitan el contacto directo del metal con el vidrio, proporcionando el necesario efecto de amortiguación contra las vibraciones.

También debes considerar el material base de la abrazadera de vidrio. Los fabricantes suelen utilizar acero inoxidable de calidad marina o latón macizo para obtener una resistencia a la tracción superior. La selección de una abrazadera de vidrio resistente garantiza la resistencia contra los factores ambientales estresantes, particularmente en aplicaciones de barandillas exteriores donde las cargas de viento ejercen una inmensa presión sobre los puntos de montaje.

Maximizar la estabilidad con una abrazadera para soporte de vidrio

Para proyectos que requieren capacidades de carga mejoradas, una abrazadera de soporte de vidrio ofrece un nivel elevado de seguridad. A diferencia de los accesorios estándar empotrados, una abrazadera de soporte para vidrio presenta un brazo extendido o una placa base reforzada que se conecta perfectamente a postes estructurales, paredes o superficies de piso.

Beneficios de instalación para espacios comerciales

Una bien diseñada abrazadera de soporte de vidrio proporciona una versatilidad excepcional durante el proceso de instalación. Los contratistas prefieren la abrazadera del soporte de vidrio porque permite microajustes durante la fase de alineación. Esta capacidad de ajuste resulta invaluable cuando se trabaja con superficies de montaje irregulares, típicas de edificios comerciales antiguos.

Además, el uso de una abrazadera de soporte de vidrio de alta resistencia minimiza la cantidad total de puntos de anclaje necesarios por panel. Reducir el desorden de hardware no solo acelera el cronograma de instalación sino que también mejora la estética minimalista general. Cuando elige una abrazadera para soporte de vidrio calibrada con precisión, se asegura de que las áreas de mucho tráfico sigan siendo completamente seguras para el uso público. La naturaleza robusta de una abrazadera para soporte de vidrio la convierte en la opción preferida para barandillas de centros comerciales, mamparas de oficinas o barandillas de entrepisos.

Opciones de acabado de superficies

El atractivo visual de su abrazadera para soporte de vidrio es tan importante como su integridad estructural. Puede especificar una abrazadera de soporte para vidrio en varios acabados, incluido satén cepillado, cromo pulido o negro mate. Elegir el acabado adecuado para su abrazadera de soporte de vidrio garantiza una integración cohesiva con la estructura metálica arquitectónica existente en todo su espacio.

Elevación de diseños de baños mediante abrazaderas para vidrio de ducha

Los ambientes del baño presentan desafíos únicos debido a la exposición constante a la humedad, las temperaturas fluctuantes y las frecuentes interacciones físicas. Las mamparas sin marco dependen exclusivamente de abrazaderas para vidrio de ducha para mantener alineaciones rígidas y al mismo tiempo brindar una estética abierta y lujosa.

Materiales óptimos para la resistencia a la humedad

El hardware estándar se degrada rápidamente en condiciones de humedad. Por lo tanto, las abrazaderas para vidrios de ducha especializadas utilizan aleaciones específicas diseñadas específicamente para resistir la oxidación. Las abrazaderas para vidrio de ducha de latón macizo siguen siendo muy populares porque el latón resiste naturalmente el óxido. Cuando están recubiertas con cromo o níquel cepillado, estas abrazaderas para vidrio de ducha ofrecen un acabado similar a un espejo que repele las manchas de agua.

Las abrazaderas para vidrio de ducha de acero inoxidable también brindan una excelente longevidad. El uso de abrazaderas para vidrio de ducha de acero inoxidable de grado 304 o 316 evita la degradación incluso en baños residenciales o vestuarios comerciales con mucho vapor.

Lograr una alineación perfecta del panel

La instalación de abrazaderas para vidrio de ducha requiere una atención meticulosa al detalle. Las abrazaderas para vidrio de ducha deben sujetar los paneles templados pesados ​​perfectamente a plomo para evitar que las puertas se atasquen o tengan fugas. Las abrazaderas para vidrio de ducha de alta calidad cuentan con placas internas ajustables, lo que permite a los instaladores corregir pequeñas irregularidades en las paredes. Al asegurar los paneles fijos con precisión con abrazaderas duraderas para vidrio de ducha, se crea un santuario hermético. El uso de abrazaderas de esquina para vidrio de ducha une de forma segura los paneles que se cruzan, eliminando la necesidad de voluminosos rieles metálicos a lo largo del bordillo de la ducha.

abrazadera para soporte de vidrio abrazadera para soporte de vidrio

Descripción general comparativa de las variedades de abrazaderas de vidrio

Para ayudarle a seleccionar el hardware correcto, revise la siguiente comparación técnica de componentes de montaje comunes.


Tipo de hardware

Aplicación primaria

Característica clave

Idoneidad del material

Abrazadera de vidrio estándar

Barandillas, mamparas interiores.

Diseño de perfil bajo redondeado o cuadrado

Acero inoxidable, aleación de zinc.

Abrazadera de soporte de vidrio

Barandillas comerciales de alta resistencia

Brazo de montaje extendido para una distribución de carga superior

Acero inoxidable 316 de grado marino

Abrazaderas de ducha

Mamparas de baño sin marco

Resistencia superior a la humedad, bisagras internas ajustables

Latón macizo, acero inoxidable 304.

Abrazadera de vidrio en forma de D

Barandillas de escaleras, postes redondeados

Placa posterior contorneada para montaje en poste tubular

Acero inoxidable

Mejores prácticas para la instalación de abrazaderas de soportes de vidrio

La instalación adecuada de cualquier abrazadera para vidrio o abrazadera para soporte de vidrio garantiza la longevidad estructural. Primero, debe medir con precisión el diseño de su montaje. Marcar la posición exacta de cada abrazadera de soporte de vidrio evita perforaciones innecesarias en vigas estructurales.

Recomendamos utilizar una llave dinamométrica al apretar los pernos de fijación de una abrazadera para vidrio. Apretar demasiado una abrazadera para vidrio puede aplastar las juntas internas, transfiriendo tensiones peligrosas directamente al panel. Por el contrario, apretar demasiado una abrazadera para vidrio permite que el panel se deslice, creando un grave peligro para la seguridad.

Al instalar abrazaderas para vidrio de ducha, aplique siempre una pequeña cantidad de sellador de silicona transparente detrás de la placa de montaje. Este paso adicional evita que el agua se filtre detrás de las abrazaderas del vidrio de la ducha, protegiendo los azulejos o paneles de yeso subyacentes de daños ocultos por humedad. Siga siempre las clasificaciones de torsión específicas proporcionadas por el fabricante para su abrazadera de soporte de vidrio o abrazaderas de vidrio de ducha específicas.

Preguntas frecuentes (preguntas frecuentes)

¿Cuál es la diferencia entre una abrazadera para vidrio estándar y una abrazadera para soporte de vidrio?

Una abrazadera de vidrio estándar generalmente asegura los paneles al ras contra una superficie plana. Una abrazadera de soporte para vidrio presenta un brazo estructural extendido o una placa reforzada diseñada para conectar paneles a postes específicos, ofreciendo una mayor capacidad de carga para aplicaciones comerciales pesadas.

¿Puedo utilizar herrajes normales en lugar de abrazaderas específicas para cristales de ducha?

Recomendamos encarecidamente no utilizar accesorios habituales en entornos húmedos. Las abrazaderas para vidrio de ducha exclusivas utilizan materiales inoxidables como latón macizo o acero inoxidable de grado 304. Los accesorios estándar se oxidarán o degradarán rápidamente cuando se expongan a la humedad constante del baño, comprometiendo la seguridad de su gabinete.

¿Cuántas abrazaderas para vidrio de ducha necesito para un solo panel fijo?

Los estándares de la industria generalmente requieren al menos dos abrazaderas para vidrio de ducha en el borde vertical de la pared, más una o dos abrazaderas para vidrio de ducha a lo largo del borde inferior, según el ancho total o el peso del panel. Consulte siempre las pautas estructurales para determinar la cantidad exacta.

¿Necesito perforar agujeros en el panel para usar una abrazadera para vidrio?

Muchos diseños de abrazaderas para vidrio con ajuste por fricción aseguran el panel mediante juntas de goma de alta resistencia sin necesidad de taladrar agujeros. Sin embargo, para instalaciones elevadas o paneles extremadamente pesados, una abrazadera de soporte de vidrio puede tener un pasador de seguridad que requiere un orificio correspondiente a través del panel para evitar que se deslice hacia abajo.

¿Cómo mantengo las abrazaderas para cristales de mi ducha?

Para mantener impecables las abrazaderas para vidrio de ducha, límpielas con un paño de microfibra suave después de usarlas. Evite el uso de limpiadores abrasivos fuertes en las abrazaderas del vidrio de la ducha, ya que estos productos químicos pueden rayar el revestimiento protector.

abrazadera de vidrio de ducha abrazaderas de vidrio de ducha

Conclusión

Asegurar características arquitectónicas transparentes exige precisión, durabilidad y refinamiento estético. Si comprende a fondo las distintas ventajas de una abrazadera para vidrio estándar, una abrazadera para soporte de vidrio industrial o abrazaderas para vidrio de ducha resistentes a la humedad, podrá ejecutar su visión de diseño sin problemas. Ya sea que esté construyendo una barandilla comercial de alto tráfico utilizando una abrazadera de soporte de vidrio robusta o renovando un baño principal con elegantes abrazaderas de vidrio de ducha, priorizar el hardware de primera calidad garantiza la seguridad junto con una belleza duradera.

Cuando necesite una confiabilidad incomparable para sus proyectos arquitectónicos, le recomendamos encarecidamente que obtenga sus componentes de hardware esun. Su extenso catálogo presenta soluciones de hardware meticulosamente diseñadas y adaptadas para satisfacer las demandas estructurales más rigurosas.

Información del contacto

Correo electrónico: sales@esunhardware.com

Teléfono: +86-750-3076685


abrazadera

abrazadera de soporte de vidrio

abrazaderas de ducha

ENLACES RÁPIDOS